Il tuo carrello
Non ci sono articoli nel carrello
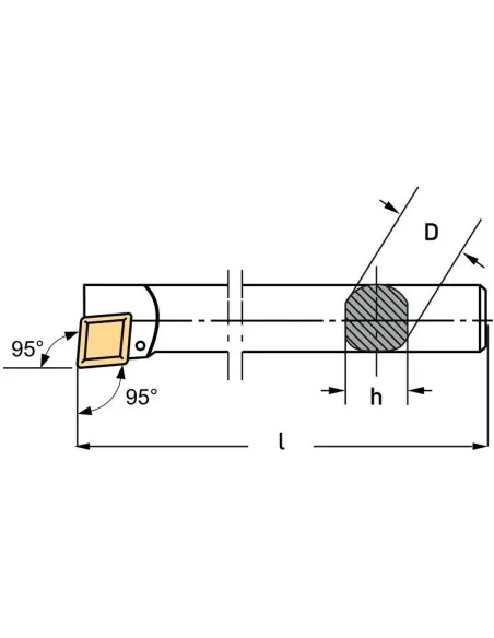
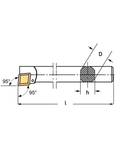
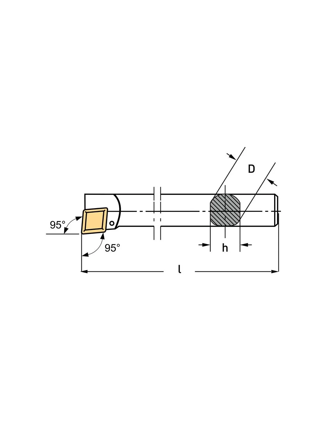
Utensili per interno tornitura
Set utensili x interno 90° con bloccaggio a vite x tornio metallo Fervi kistfcr






