Carrello
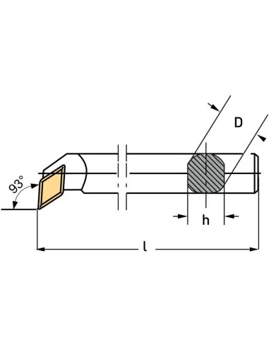
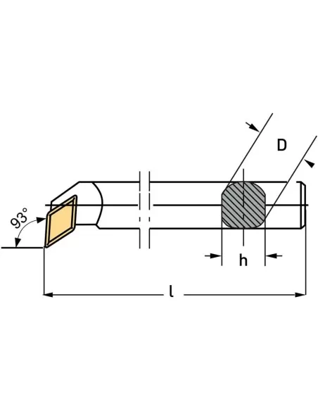
Caratteristiche tecniche:
Scatola
Finitura2 Satinata
Finitura6 Nichelata
Lubrificazione2 Esterna
Lato Dx/R
D 25 mm
h 23 mm
l 250 mm
Vite KV350
Inserto (non incluso) DCMT11T3...
- Marca
- FERVI
- MPN
- SDUCR25
4 Articoli
Nuovo
8012667005368
Sii il primo a recensire questo prodotto. Accedi o registrati per lasciare la tua recensione.






