Carrello
Dotata di regolazione micrometrica ed ingranaggi a bagno d’olio
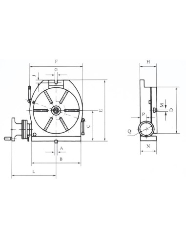
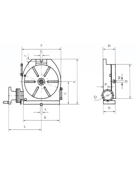
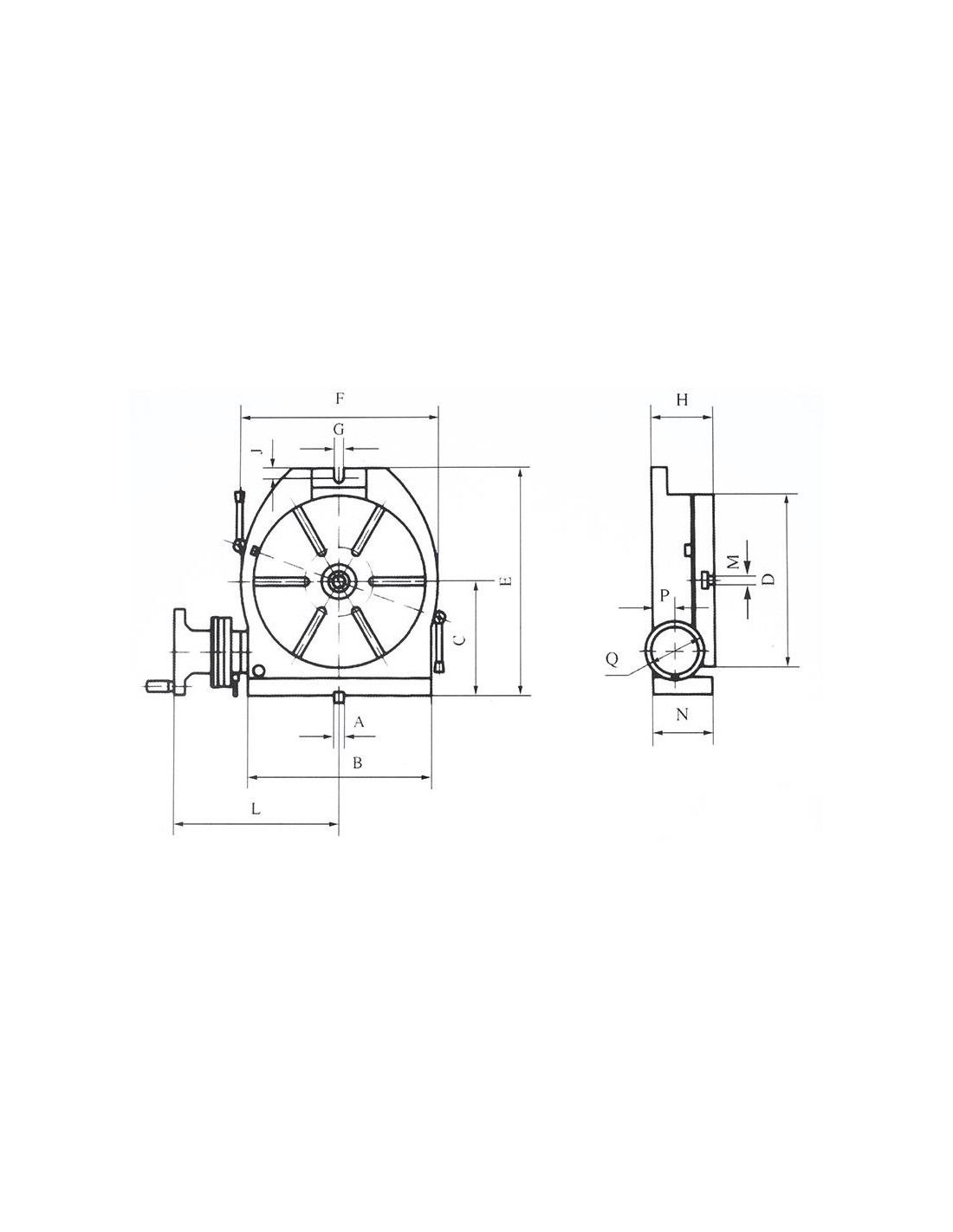
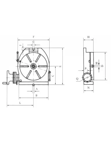
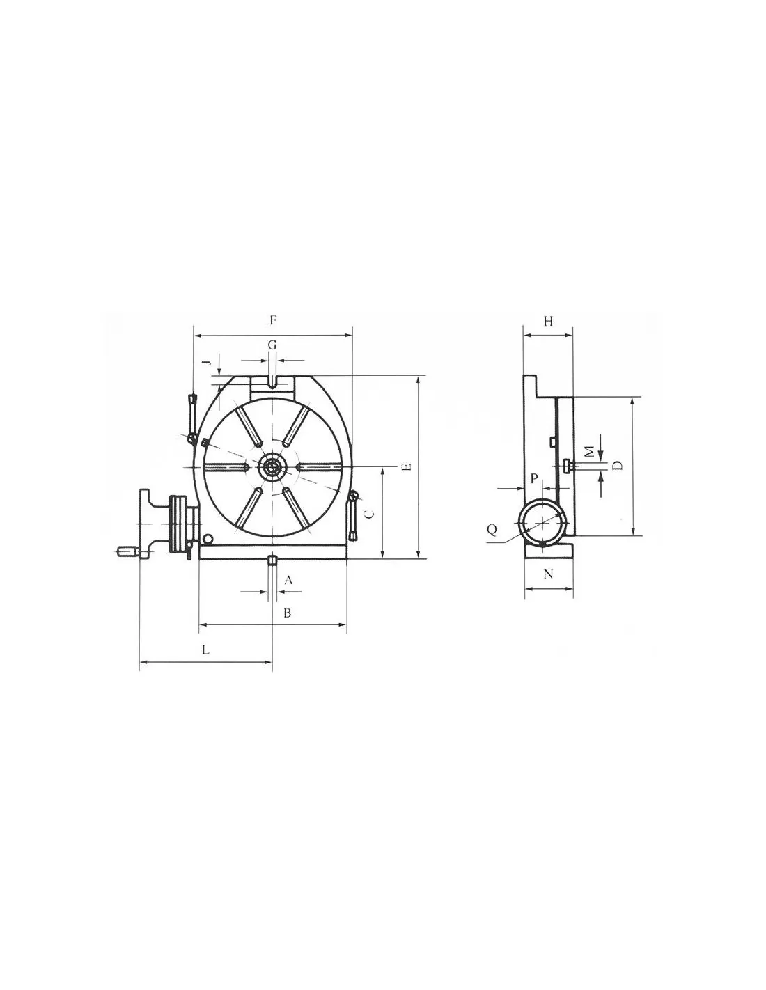
Caratteristiche tecniche:
Cassa di legno
A 12 mm
B 186 mm
C 125 mm
D 160 mm
E 242 mm
F 196 mm
G 12 mm
H 85 mm
J 12 mm
L 194 mm
N 82 mm
P 37 mm
Q 125 mm
CM 2
Rapporto 0.1041666666666667
Cave 4/10 N° / mm
Portata max orizzontale 100 kg
Portata max verticale 50 kg
Peso netto 23 kg
- Marca
- FERVI
- MPN
- T002/160
2 Articoli
Nuovo
8012667180287
Sii il primo a recensire questo prodotto. Accedi o registrati per lasciare la tua recensione.




