Permette di avere varie tipologie di divisioni in base al tipo di disco montato. La divisione viene effettuata automaticamente tramite la leva di avanzamento. Possibilità di divisione manuale di grado in grado 0° - 360°
Caratteristiche tecniche:
Cassa di legno
Divisioni 2 - 3 - 4 - 6 - 8 - 12 - 24
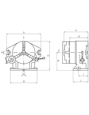
A 310 mm
B 255 mm
C 210 mm
D 259,25 mm
E 18 mm
F 214 mm
G 171,5 mm
H 149,25 mm
I 80 mm
J 130 mm
K 16 mm
Foro 62 mm
Portata max orizzontale 50 kg
Portata max verticale 10 kg
Peso netto 52 kg
- Marca
- FERVI
- MPN
- D003
2 Articoli
Nuovo
8012667003128
Sii il primo a recensire questo prodotto. Accedi o registrati per lasciare la tua recensione.




