Carrello
Con canaline per refrigerante. Graduazione registrabile del volantino
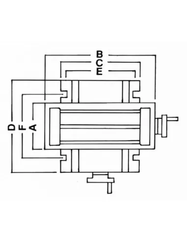
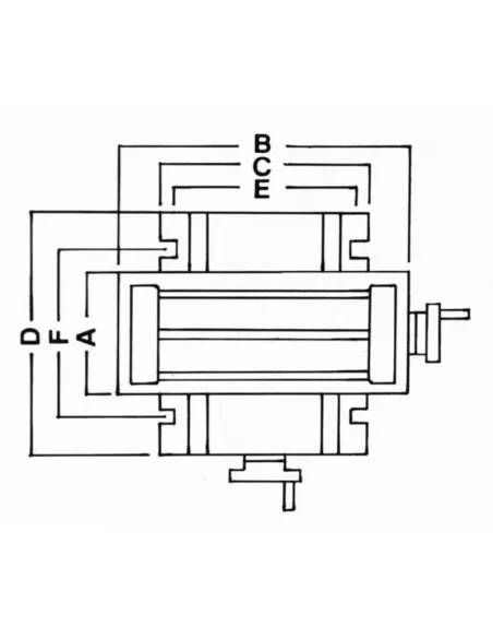
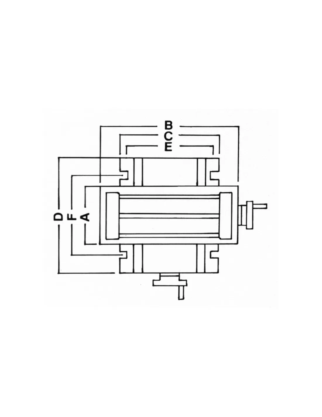
Caratteristiche tecniche:
Cassa di legno
Mat8 Ghisa
A 210 mm
B 730 mm
C 315 mm
D 395 mm
E 240 mm
F 300 mm
Cava 14 mm
Altezza 155 mm
Spostamenti 160 x 360 mm
Divisione 0,05 mm
Peso netto 70 kg
- Marca
- FERVI
- MPN
- T013
3 Articoli
Nuovo
8012667199555
Sii il primo a recensire questo prodotto. Accedi o registrati per lasciare la tua recensione.




