Carrello
Dotata di base girevole. Con canaline per refrigerante. Graduazione registrabile del volantino
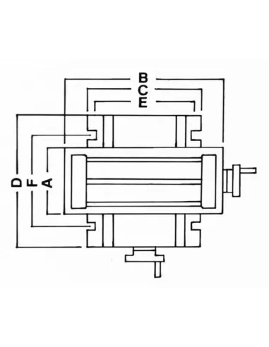
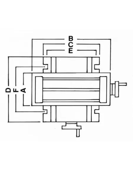
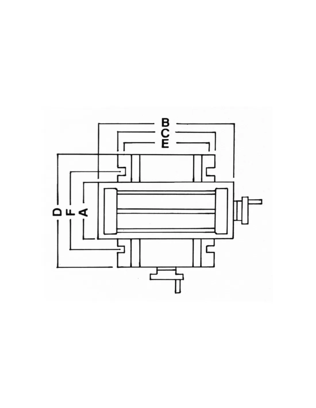
Caratteristiche tecniche:
Cassa di legno
Mat8 Ghisa
A 240 mm
B 600 mm
C 280 mm
D 340 mm
E 260 mm
F 250 mm
Cava 12 mm
Altezza 160 mm
Spostamenti 155 x 370 mm
Divisione 0,02 mm
Peso netto 60 kg
- Marca
- FERVI
- MPN
- T014G
1 Articolo
Nuovo
8012667248376
Sii il primo a recensire questo prodotto. Accedi o registrati per lasciare la tua recensione.




