Ganascia regolabile. Il morsetto ad angolo retto è realizzato in lega di alluminio di buona qualità con il disegno della nervatura strutturale che garantisce la durata dell'utensile stesso. Il campo di serraggio massimo è di 70 mm. L’impugnatura ergonomica ed antiscivolo e la ganascia regolabile aiutano a fissare rapidamente. Questo morsetto ad angolo retto può aiutare a collegare diversi spessori di materiali tra cui asta d’acciaio, legno, vetro spesso, ecc. ed è l’ideale per lavori fai da te e per professionisti di vari settori.
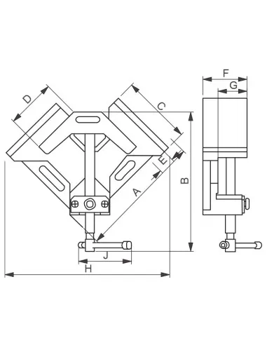
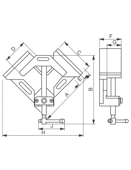
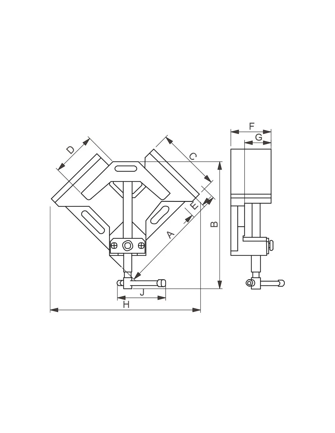
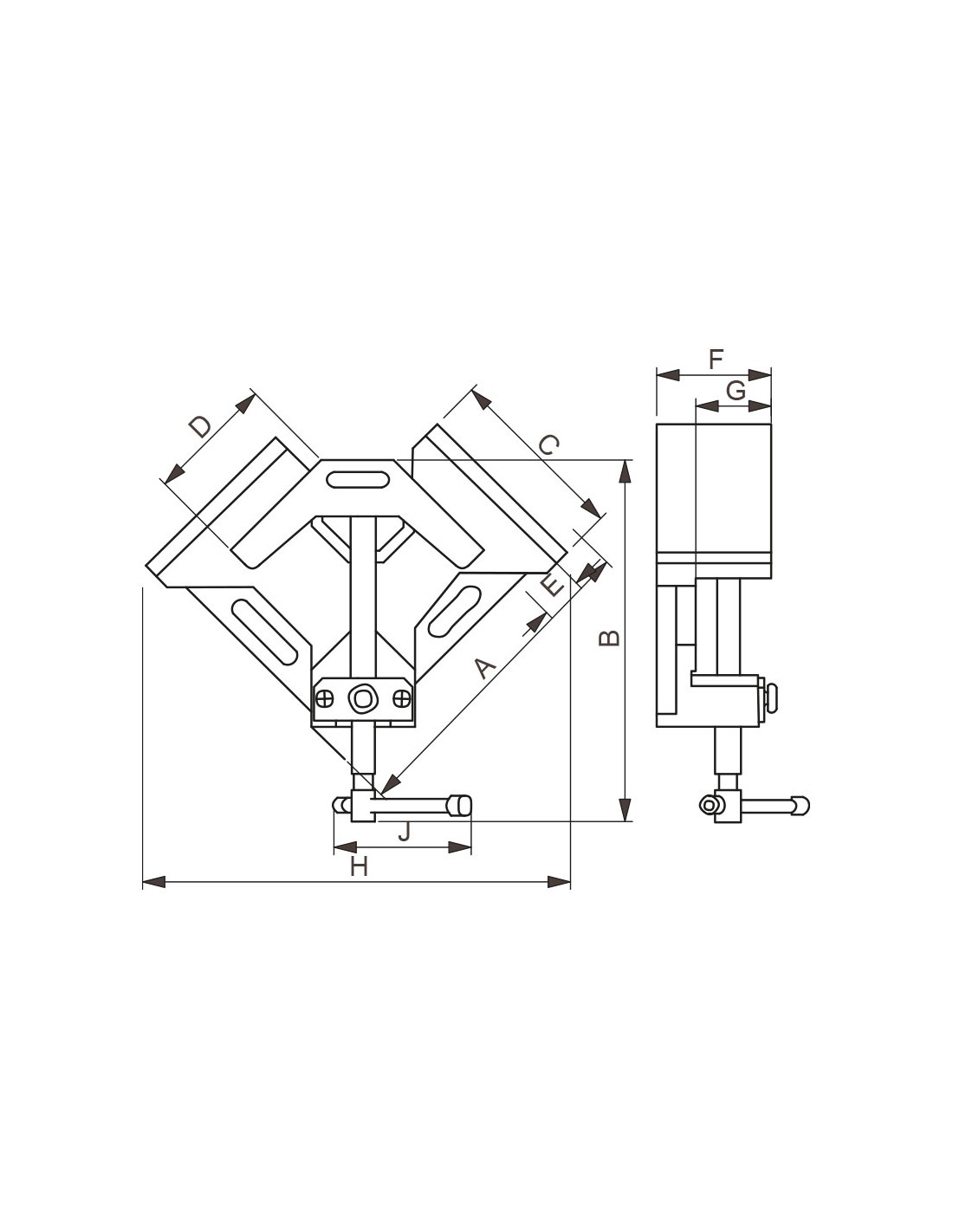
Dati tecnici
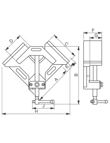
Capacità: 70 mm + 70 mm
Altezza utile: 35 mm
A: 150 mm
B: Min 250 mm - Max 345 mm
C: 97 mm
D: 60 mm
E: 70 mm
F: 55 mm
G: 49 mm
H: 217 mm
J: 92 mm
- Made in
- CINA
- Marca
- FERVI
- MPN
- 0205




